Фрезерный обрабатывающий центр IMU-5X 800 выполняет обработку полного цикла с высокой точностью и максимальной производительностью до 550 см3/мин. Обработка осуществляется за один установ с пяти сторон заготовки (корпусная деталь, детали в форме тел вращения). В конструкции оборудования используется наклонно-поворотный стол и высокоскоростной шпиндель до 20 000 оборотов в минуту — такие параметры позволяют центрам работать производительно и получать полностью готовую деталь, которой не нужна последующая доработка на других станках. Для управления по осям предназначена русскоязычная система ЧПУ H-CNC — аналог Siemens и Fanuc.
5-осевой фрезерный обрабатывающий центр IMU-5X 800
- Система ЧПУ HCNC
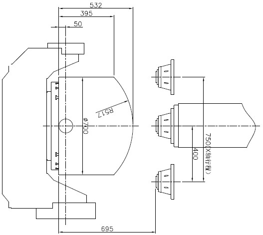
- Перемещение по оси Х 850 мм
- Перемещение по оси Y 950 мм
- Перемещение по оси Z 550 мм
- Портал
- Станина
- Наклонно-поворотный стол GTRT
- Инструментальный магазин SUNJET (Тайвань)
- Оптические линейки и круговые энкодеры HEIDENHAINE
- Система охлаждения
- Кондиционер электрошкафа
- Система измерения детали
- Система измерения инструмента контактного типа
- MPG маховичок
- Пистолет обдува воздухом
- Мотор-шпиндель SUPER POWER
- Система ЧПУ HNC-848DI
- Система крепления HSK
-
Входит в подборки:
- Серия IMU-5X
СТАНДАРТНАЯ КОМПЛЕКТАЦИЯ:
|
ЧПУ
|
|
Шпиндель
|
|
Магазин инструмента
26 шт. магазин – зонтик, Тайвань |
|
Лазерная система измерения инструмента
Функция автоматического измерения длины инструмента и износа инструмента, функция обнаружения / отсутствия. |
|
Линейки HEIDENHAIN
|
|
X, Y, Z - роликовые направляющие и ШВП
|
|
Винтовой стружечный конвейер |
|
Кондиционер электрошкафа |
|
Пистолет смыва и воздушный пистоле |
|
Полностью закрытая зона обработки |
|
Автоматическая система смазки СОЖ |
| Система продува инструментальных гнезд | |
| Рабочее освещение | |
| Сигнальная лампа | |
| Инструмент для обслуживания станка | |
| Анкерные болты | |
| Инструкция по эксплуатации | |
ДОПОЛНИТЕЛЬНАЯ КОМПЛЕКТАЦИЯ:
|
Шпиндель
|
|
Магазин инструмента
21 позиции инструмента - манипулятор. |
|
Масляное охлаждение шпинделя |
| Контактный датчик инструмента | |
| Винтовой стружечный конвейер | |
| Сепаратор СОЖ | |
| Подача СОЖ через шпиндель 50 / 70 бар | |
| Уловитель масляного тумана | |
| Датчик открытия / закрытия фронтальной двери | |
-
Портал
- Цельнолитой портал с прочной опорой и большим пролетом.
- 4 роликовых направляющих 45 мм для оси Y высокой жесткости с технологией винтового привода с быстрым откликом — обеспечивают ускорение осей X / Y / Z 7 м/с2.
- Оптические линейки HENDEHAIN 0,01 мкм для трех осей X / Y / Z со стандартным разрешением.
- Подвижные части осей X/Y/Z изолированы от зоны обработки — за счет этого им обеспечена точность и долговечность.
- За перемещение суппорта по оси Y отвечает один сервопривод, улучшая синхронизацию перемещений.
Ось Z:
Запатентованная технология, по который изготовлен портал, и конструкция шпинделя с внутренним и внешним охлаждением исключают термическую деформацию и снижают количество вибраций во время обработки.
Мотор-шпиндель выполнен по европейской технологии. Крутящий момент — максимальный. Оснащен системой балансировки цилиндра, снижающей нагрузку с ходового винта.
Расстояние между шпинделем и дверью короткое — 390 мм, благодаря чему для оператора открывается удобный доступ к рабочей зоне оборудования.
-
Станина
Конструкция станины проектируется методом конечных элементов с применением технологии динамической оптимизации — она обладает высокой жесткостью и способностью подавлять вибрации. Выполнена из чугуна марки «механит». Проходит вторичную закалку и процедуру естественного старения в течении 6 месяцев для снятия внутренних напряжений и стабильности.
Благодаря многоточечной системе смазки части линейного перемещения станка смазываются, работают точно и долговечнее.
-
Наклонно-поворотный стол GTRT
Использование высокотехнологичной европейской механической трансмиссии GTRT обеспечивает высокий крутящий момент оси A 4142 Нм, оси C — 1950 Нм в сравнении с обычными поворотными приводами. Несмотря на высокий крутящий момент — энергопотребление низкое. С такой системой стол GMU-800 получает жесткость, стабильность и точность вращений.
Стол поддерживается 2 жесткими суппортами с высокой несущей способностью и точностью — выдерживает максимальную нагрузку до 800 кг.
Также здесь используется запатентованная технология защиты от люфта зубчатых передач по DIN5.
-
Инструментальный магазин SUNJET (Тайвань)
Магазин от производителя SUNJET (Тайвань) на 24 позиции инструмента весом до 8 кг и временем смены 2,5 секунды.
* Установка магазина на 30, 48 или 60 позиций — опция.
-
Система охлаждения
Охлаждение шпинделя в стандартной комплектации водяное. Установка масляного — опция.
-
Кондиционер электрошкафа
Эффективно отводит тепло, выделяемое электрокомпонентами станка. Качественно собранная электросистема в сочетании с постоянным охлаждением обеспечивает долговечность работы.
-
Система измерения детали
Датчик от Renishaw предназначен для привязки детали и контроля ее размеров.
-
Система измерения инструмента контактного типа
Система MARPOSS автоматически измеряет длину инструмента и отслеживает степень его износа. Обнаруживает наличие или отсутствие инструмента.
-
MPG маховичок
Позволяет в ручном режиме управлять направляющими оборудования, облегчает наладку.
-
Пистолет обдува воздухом
Предназначен для обдува сжатым воздухом рабочей зоны станка, упрощает удаление стружки с заготовки и последующую уборку зоны обработки.
-
Мотор-шпиндель SUPER POWER
Мотор-шпиндель SUPER POWER с контролем теплоотвода, который осуществляется контроллером Huazhong CNC — обеспечивает производительность работы шпинделя, точность и продлевает срок эксплуатации. Конструкция подшипника шпинделя создана так, чтобы повышать жесткость шпинделя и эффективно отводить тепло.
Устройства контроля шпинделя позволяют ему работать эффективно и безопасно.
-
Система ЧПУ HNC-848DI
Центры оснащены 5-осевым контроллером ЧПУ HNC-848DI. Он поддерживает работу с CAM-системой NX Siemens Software, Master CAM, Powermill, Vericut. Сначала необходимо выполнить постобработку в программе от HUAZHONG, а потом перенести в ЧПУ. Сейчас нет поддержки программ Inventor CAM и Pro/ENGINEER, но возможно появится в будущем.
Системные параметры:
- Процессор — 2-ядерный 2,0 ГГц i7-5550U CORE;
- Видеокарта — Intel HD Graphics 5500;
- Интерфейс подключения – 4 порта USB 3.0 и 4 USB 2.0, 2 LAN-порта;
- Жесткий диск на 128 ГБ;
- Оперативная память 8 ГБ с возможностью расширения до 16 ГБ.
Стойка ЧПУ оснащается 17-дюймовым экраном с разрешением 1280*1024 в стандартной комплектации. Опционально устанавливается цветной сенсорный ЖК-монитор 17 дюймов. Панель выполнена из алюминиевого сплава. Для ввода команд и привязки горячих клавиш предназначена клавиатура MCP.
HNC-848DI поддерживает:
- Управление 5-32 осями;
- NCUC — протокол шины Ethercat;
- Одновременно можно управлять 5 осями;
- 5-осевую функцию RTCP;
- Автоматическую калибровку по 5 осям;
- Поддержку двухканального управления (опция);
- Сплайн-интерполяцию.
-
Система крепления HSK
Система HSK по сравнению с конусом BT легкая, но жесткая с высокой радиальной и осевой точностью. Разработана в соответствии со стандартом DIN 69893 специально для высокоточной скоростной обработки.
Зажим происходит по конусу благодаря ровной поверхности прилегания, в следствие чего выполняется центрирование с высокой точностью и осевой жесткостью позиционирования оправки в шпинделе станка, а также точным попаданием в одну и ту же точку при смене инструмента.
Передача крутящего момента DIN 69893-1 HSK-A выполняется за счет захватов на коническом хвостовике. Другие особенности системы:
- Патрон из жаропрочной стали;
- Твердость до 54 HRC;
- Подходит для инструмента из быстрорежущей стали и твердых сплавов;
- Хвостовик с квалитетом точности по h6;
- Отбалансирован с помощью балансировочных болтов.
HSK-A63 характеризуется:
- Биением < 0,003 мм;
- Высоким усилием зажима, которое обеспечивает глубокий зажим в зажимном отверстии;
- Короткой фаской;
- Усиленным хвостовиком, подходящим для длинных термопатронов.
5-осевой обрабатывающий центр IMU-5X 800 — многофункциональное оборудование, которое можно применять в любой сфере:
- В сельскохозяйственном, опытном, исследовательском, судостроительном, энергетическом и железнодорожном машиностроении;
- На инструментальном производстве;
- На предприятиях, выпускающих пресс-формы и оснастку для изготовления пластика;
- В контрактном выпуске деталей, автокомпонентов, деталей конструкции аэрокосмической техники.
Приборостроение: алюминиевые корпусы, детали воздушных автоматов, высокоточные гигроскопические приборы.
Автомобилестроение: детали кузова, ГБЦ, распределительные валы.
Машиностроение: компоненты для БелАзов, зерноуборочных комбайнов «Ростсельмаш», комплектующие для горнодобывающего оборудования.
Авиастроение: детали для самолетов и авиационных двигателей.
|
|
|
|
|
1. Фрезерование канавок и пазов |
2. Фрезерование уступов |
3. Фрезерование канавок и пазов дисковой фрезой |
4. Фрезерование канавок и пазов дисковой фрезой |
|
|
|
|
|
5. Торцевое фрезерование |
6. Фрезерование уступов |
7. Фрезерование уступов |
8. Торцевое фрезерование |
|
|
|
|
|
9. Фрезерование отверстий и карманов (расфрезеровывание отверстия) |
10. Фрезерование шпоночного паза |
11. Торцевое фрезерование |
12. Фрезерование Т-образного паза |
|
Портал
Ось Z: Запатентованная технология, по который изготовлен портал, и конструкция шпинделя с внутренним и внешним охлаждением исключают термическую деформацию и снижают количество вибраций во время обработки. Мотор-шпиндель выполнен по европейской технологии. Крутящий момент — максимальный. Оснащен системой балансировки цилиндра, снижающей нагрузку с ходового винта. Расстояние между шпинделем и дверью короткое — 390 мм, благодаря чему для оператора открывается удобный доступ к рабочей зоне оборудования. |
|
Станина Конструкция станины проектируется методом конечных элементов с применением технологии динамической оптимизации — она обладает высокой жесткостью и способностью подавлять вибрации. Выполнена из чугуна марки «механит». Проходит вторичную закалку и процедуру естественного старения в течении 6 месяцев для снятия внутренних напряжений и стабильности. Благодаря многоточечной системе смазки части линейного перемещения станка смазываются, работают точно и долговечнее. |
|
Наклонно-поворотный стол GTRT Использование высокотехнологичной европейской механической трансмиссии GTRT обеспечивает высокий крутящий момент оси A 4142 Нм, оси C — 1950 Нм в сравнении с обычными поворотными приводами. Несмотря на высокий крутящий момент — энергопотребление низкое. С такой системой стол GMU-800 получает жесткость, стабильность и точность вращений. Стол поддерживается 2 жесткими суппортами с высокой несущей способностью и точностью — выдерживает максимальную нагрузку до 800 кг. Также здесь используется запатентованная технология защиты от люфта зубчатых передач по DIN5. |
|
Инструментальный магазин Магазин от производителя SUNJET (Тайвань) на 24 позиции инструмента весом до 8 кг и временем смены 2,5 секунды. * Установка магазина на 30, 48 или 60 позиций — опция. |
|
Оптические линейки и круговые энкодеры Все от немецкой компании HEIDENHAINE. |
|
Система охлаждения Охлаждение шпинделя в стандартной комплектации водяное. Установка масляного — опция. |
|
Кондиционер электрошкафа Эффективно отводит тепло, выделяемое электрокомпонентами станка. Качественно собранная электросистема в сочетании с постоянным охлаждением обеспечивает долговечность работы. |
|
Система измерения детали Датчик от Renishaw для привязки детали и контроля ее размеров. |
|
Система измерения инструмента контактного типа Система MARPOSS автоматически измеряет длину инструмента и отслеживает степень его износа. Обнаруживает наличие или отсутствие инструмента. |
|
MPG маховичок Позволяет в ручном режиме управлять направляющими оборудования, облегчает наладку. |
|
Пистолет обдува воздухом Предназначены для обдува сжатым воздухом рабочей зоны станка, упрощает удаление стружки с заготовки и последующую уборку зоны обработки. |
|
Шпиндель Мотор-шпиндель SUPER POWER с контролем теплоотвода, который осуществляется контроллером Huazhong CNC — обеспечивает производительность работы шпинделя, точность и продлевает срок эксплуатации. Конструкция подшипника шпинделя создана так, чтобы повышать жесткость шпинделя и эффективно отводить тепло. Устройства контроля шпинделя позволяют ему работать эффективно и безопасно. |
|
Система ЧПУ Центры оснащены 5-осевым контроллером ЧПУ HNC-848DI. Он поддерживает работу с CAM-системой NX Siemens Software, Master CAM, Powermill, Vericut. Сначала необходимо выполнить постобработку в программе от HUAZHONG, а потом перенести в ЧПУ. Сейчас нет поддержки программ Inventor CAM и Pro/ENGINEER, но возможно появится в будущем. Системные параметры:
Стойка ЧПУ оснащается 17-дюймовым экраном с разрешением 1280*1024 в стандартной комплектации. Опционально устанавливается цветной сенсорный ЖК-монитор 17 дюймов. Панель выполнена из алюминиевого сплава. Для ввода команд и привязки горячих клавиш предназначена клавиатура MCP. HNC-848DI поддерживает:
|
|
Система крепления HSK Система HSK по сравнению с конусом BT легкая, но жесткая с высокой радиальной и осевой точностью. Разработана в соответствии со стандартом DIN 69893 специально для высокоточной скоростной обработки. Зажим происходит по конусу благодаря ровной поверхности прилегания, в следствие чего выполняется центрирование с высокой точностью и осевой жесткостью позиционирования оправки в шпинделе станка, а также точным попаданием в одну и ту же точку при смене инструмента. Передача крутящего момента DIN 69893-1 HSK-A выполняется за счет захватов на коническом хвостовике. Другие особенности системы:
HSK-A63 характеризуется:
|
Диаграмма момента и мощности - 15 000 об/мин, HSK-A63*
* стандартная комплектация
Отсрочку можно получить при условии предоставления платежной банковской гарантии на сумму обязательств.
Сумма банковской гарантии фиксируется в рублях по курсу ЦБ на дату выпуска.
Срок банковской гарантии должен превышать срок отсрочки на 2 месяца. Например, для получения отсрочки на 6 месяцев, период банковской гарантии должен быть 8 месяцев.
Рассрочку можно получить при условии предоставления платежной банковской гарантии на сумму обязательств.
Сумма банковской гарантии фиксируется в рублях по курсу ЦБ на дату выпуска.
Срок банковской гарантии должен превышать срок рассрочки на 2 месяца. Например, для получения рассрочки на 6 месяцев, период банковской гарантии должен быть 8 месяцев.
-
Разработка технологииПодробнее
Проектируем техпроцесс под конкретное изделие и производство
-
Демонстрация на производствеПодробнее
Организуем визит на завод в Китае — покажем производство в действии
-
Подбор, поставка запчастей и маселПодробнее
Поставляем оригинальные комплектующие и подбираем масла под задачу
-
Подбор финансовых программПодробнее
Льготный лизинг, отсрочка и рассрочка — оптимальные условия от 10+ банков
-
Ремонт оборудованияПодробнее
Диагностика, выезд и восстановление работоспособности в короткие сроки
-
Запуск и обслуживание станковПодробнее
Монтаж, наладка и сервис, включая оборудование других брендов
-
Доступные цены на сервис
Мы не держим избыточный штат в офисе — это позволяет сохранять низкие цены. Скачать прайс
-
Запчасти всегда в наличии
80000+ наименований запасных частей на складе. Экспресс-доставка из Китая за 7 дней.
-
Самый масштабный сервисный штат в отрасли
300 высококвалифицированных инженеров в 55 регионах РФ
-
Постгарантийное обслуживание
Комплексное техническое обсуживание станков с истекшей гарантией. Производитель не важен!
-
Выезд в течение 24 часов
Оперативное реагирование на любые заявки — приедем на производство в течение суток.
-
Круглосуточная поддержка
Принимаем заявки через Whatsapp в любое время — инженер будет назначен автоматически
-
Доставка:
Москва
-
Сроки поставки:
от 1 дня
-
Стоимость доставки:
от 25 000 ₽
Мы сотрудничаем со следующими надежными транспортными компаниями, которые специализируются на перевозке крупнотоннажного оборудования по Москве и всей России:
Вы можете произвести самовывоз оплаченного товара со склада нашего партнера.
Для самовывоза необходимо иметь при себе следующий пакет документов:
- Оригинал, либо нотариально заверенная копия доверенности
- Скан договора
Вы можете оплатить ваше приобретение следующими способами:
- С помощью безналичной банковской оплаты по счету
Для поставки оборудования необходима 100% предоплата
-
Заказные станки привезем за 20 днейЗаказные станки привезем из Китая в любую точку России за 20 дней
-
Обучаем до результата в собственном центреОбучение специалистов, в том числе выездное - сначала тренажер, потом теория на макетах и практика на реальных станках с изготовлением детали с дипломом
-
Адаптированы для РоссииКонструкция станков KMT адаптированы под условия российских производств — продуманная защита от пыли, износостойкие узлы, усиленные компоненты.
-
Гарантия без компромиссов. Прозрачные условияРасширенная гарантия: 2 года + пожизненно на ПО ЧПУ, замена при сбоях. 300 инженеров по РФ, 80% заявок решаем за 5 дней.
-
Live-камера на складе. Убедись в наличииОтветственное хранение оборудования на нашей стороне - LIVE-камеры на складе позволяют контролировать процесс упаковки и отгрузки
-
Станок под контролем от договора до монтажаТрекер доставки - Следите за своим станком в реальном времени, от резерва до отгрузки. Прозрачно и без скрытых этапов.
-
15 программ лизинга и рассрочки. Лизинг без авансаФинансирование под ключ: аванс 0%, 10+ банков-партнёров, решение по лизингу ≤ 48 часов.


