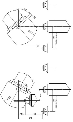
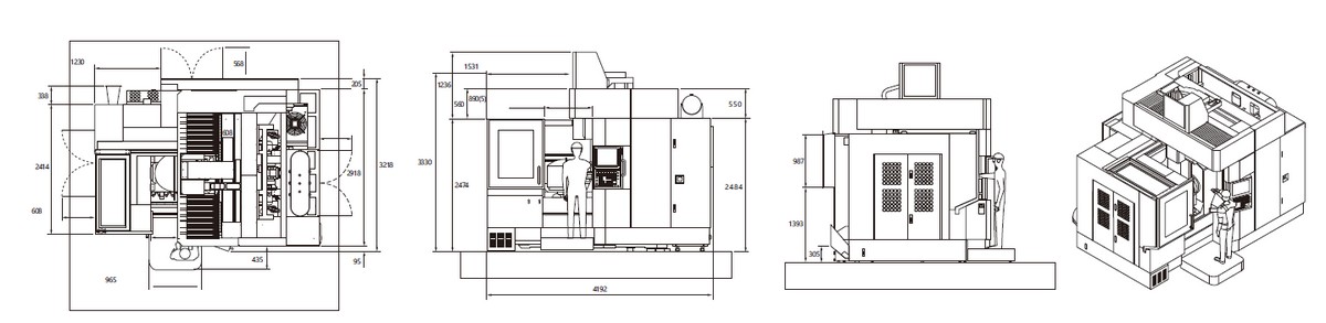
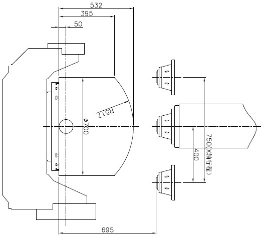
Фрезерный обрабатывающий центр IMU-5X 630 обеспечивает комплексную обработку корпусных деталей и заготовок в форме тел вращения с 5 сторон за один установ. После обработки деталь не требует дальнейших доработок на других станках, а сама операция осуществляется с максимальной производительностью до 550 см3/мин, что позволяет увеличить скорость обработки и снизить себестоимость готового изделия.
В стандартной комплектации оснащается инструментальным магазином до 40 позиций, лазерной системой измерения инструмента и системой измерения детали, а также ЧПУ H-CNC на русском языке.


