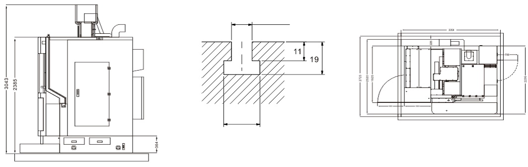
Фрезерные обрабатывающие центры IMU-5X 400 – оборудование вертикального типа с наклонно-поворотным столом. Предназначено для высокоточной обработки заготовок сразу с пяти сторон за один установ. Среди выполняемых операций — фрезерование, нарезка резьбы, сверление и расточка деталей. На оборудовании возможно обрабатывать корпусные и заготовки в форме тел вращения из стали, нержавеющих металлов и труднообрабатываемых сплавов.
Работать с металлами, сложно поддающимися обработке (материалы высокой твердости и ударной вязкости) возможно благодаря наличию в конструкции центра стола с редукторным приводом и высоким крутящим моментом по осям. Среди преимуществ оборудования можно отметить:
- Систему ЧПУ H-CNC (аналог Fanuc и Siemens) на русском языке;
- Инструментальный магазин до 30 позиций;
- Лазерную система измерения инструмента NC4;
- Система измерения детали OMP40.


